Skip to main content Skip to search Skip to main navigation
回到首页

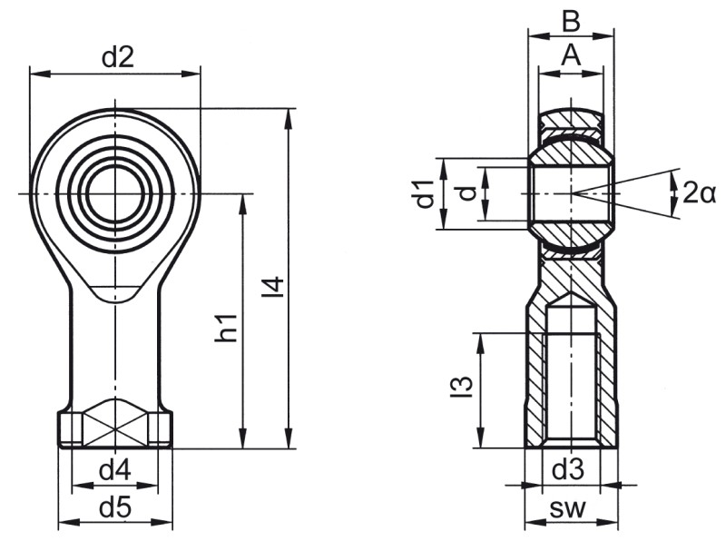
杆端,DIN ISO 12240-4 (DIN 648) K 系列,免维护版,不锈钢,内螺纹

suitable for high dynamic pressure loads and tensile forces
47 个评论 since 01.05.2026
Space‑critical mechanisms benefit doubly: stainless steel for long‑term corrosion protection, and a female thread for a slim, protected connection. The maintenance‑free rod end, K series, with female thread integrates with minimal risk of collision into hygiene concepts, enclosure feedthroughs and compact linkages. The sliding pair operates quietly and durably – without re‑lubrication, with high process reliability.
描述

Rod end K series maintenance-free version stainless steel female thread


Rod ends are used when static or dynamic forces must be transmitted during tilting, turning or swivelling movements. These machine elements, usually manufactured according to DIN ISO 12240-4 / DIN 648, are particularly suitable for applications with low sliding speeds.
Both the K series and the slimmer E series are available with female thread or male thread. These rod ends are available in maintenance-free or regreasable (maintenance required) versions.

The structure of a rod end is divided into three components – the internal ring, the bearing shell and the housing – all perfectly matched to one other. Thanks to a cleverly selected material mix of the three individual components, the linking elements can be used for higher speeds and tensile, compressive, axial, high pressure and high dynamic loads – and they are available in both steel and stainless-steel versions.
In the maintenance-free versions, high-performance slip films (e.g. made of PTFE) bonded to the inside of the bearing shell act as a sliding surface, ensuring continuous and efficient use of the rod end.
Thanks to their wide variety of versions and broad range of properties, the standardised rod ends can be found in almost all industrial applications.

Modular system enables low-cost components and short replacement times

Even when the desired part has been configured according to the requirements, price and availability are still decisive supplier selection factors for prospective customers.
Thanks to the clever modular system, small series and short timeframes can also be achieved. Here the user especially benefits from the high quantities of the respective individual components – so the rod end can be produced cost-effectively and is available within a much shorter timeframe. Customer-specific special solutions can also be realised much faster.

The rod ends can be optionally equipped with a threaded bolt or with sealing and the pivoting bearings (in accordance with DIN 12240-1) can of course be ordered separately. For the hydraulics sector, we have rod ends hydraulic (DIN 24338 / ISO 6982 or DIN 2455 / ISO 8133), which are used on e.g. hydraulic cylinders and are designed for particularly high forces.

欲查找所需货品,您可任选不同筛选标准 ,或在表格顶部搜索文本或文本和货号
欲再次取消筛选器设置,请单击表格下方的“清空”按钮。
欲显示产品详细信息和 3D 模型,可单击与所需货品对应的行。