Skip to main content Skip to search Skip to main navigation
回到首页

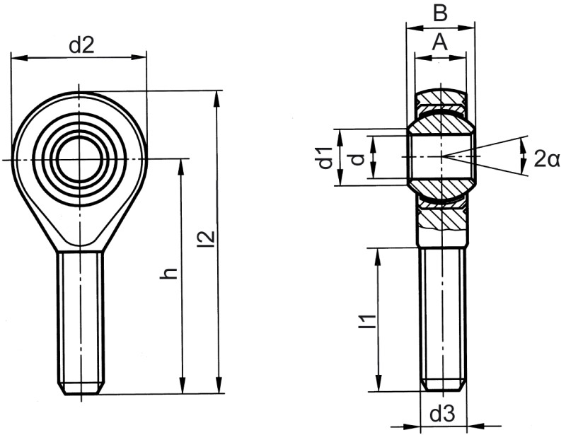
Rod ends DIN ISO 12240-4 (DIN 648) K series maintenance-free version for high load male thread

suitable for high dynamic pressure loads and tensile forces
38 个评论 since 02.05.2026
Reinforced K series design for dynamically demanding kinematics: The maintenance-free, high-load design with male thread delivers noticeably higher load reserves in a compact form. Oscillating movements remain precisely guided even under peak loads, and the male thread connection enables quick adjustment and rapid replacement during service. Ideal for cylinders and steering linkages as well as highly stressed rod connections in general mechanical and plant engineering.
描述

Rod end K series maintenance-free version for high load male thread


Static basic load rating C0 (kN)

The static basic load rating C0 (see product details) denotes the value with which a rod end can in normal applications with a static load be stressed in the weakest cross-section without being permanently deformed. It represents the permissible radial bearing strain at rest. The basic load ratings quoted have been calculated using the respective material characteristic values and can be verified by tensile experiments at room temperature. The yield point was used to 80%, making the safety factor until yield start 1.25.

The static basic load rating also enables the permissible thrust load to be calculated:

Fa = Fa perm. = p • C0 (kN)

p = < / ~ 0.2 for rod ends K series maintenance-free version for high load

Dynamic basic load ratings for rod ends are available on request.

欲查找所需货品,您可任选不同筛选标准 ,或在表格顶部搜索文本或文本和货号
欲再次取消筛选器设置,请单击表格下方的“清空”按钮。
欲显示产品详细信息和 3D 模型,可单击与所需货品对应的行。