U 形夹 / U 形夹接头
螺栓(适用于 U 形夹)
角接头/球座/球头销/轴向接头
杆端/中心支承
固定器
Knuckle eyes
Eye bolts
Cardan joints
Parallel keys
Axle holders
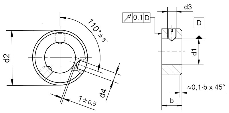
Set collars
Taper keys with gip head
Woodruff keys
Nuts for T-slots
配件
Tangential keys
Parallel pins
Key steels
Assembly tools
Job order production